Product Summary
The FF200R17KE3 is an IGBT-Module.
Parametrics
FF200R17KE3 maximum rated values: (1)collector-emitter voltage VCES: 1700 V; (2)IC,nom.: 200 A; (3)DC-collector current IC: 310 A; (4)repetitive peak collector current ICRM: 400 A; (5)total power dissipation Ptot: 1250 W; (6)gate-emitter peak voltage VGES: +/- 20 V.
Features
FF200R17KE3 characteristic values: (1)VCE sat: 2 to 2.45 V; (2)collector-emitter saturation voltage: 2.4 V; (3)gate threshold voltage: 5.2 to 6.4 V; (4)input capacitance Cies: 18.0 nF; (5)collector-emitter cut-off current ICES: 3.0 mA; (7)gate-emitter leakage current IGES: 400 nA.
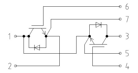
Diagrams

| Image | Part No | Mfg | Description | ![]() |
Pricing (USD) |
Quantity | ||||||||
|---|---|---|---|---|---|---|---|---|---|---|---|---|---|---|
![]() |
![]() FF200R17KE3 |
![]() Infineon Technologies |
![]() IGBT Modules N-CH 1.7KV 390A |
![]() Data Sheet |
![]()
|
|
||||||||
![]() |
![]() FF200R17KE3_S4 |
![]() Infineon Technologies |
![]() IGBT Modules IGBT 1200V 200A |
![]() Data Sheet |
![]()
|
|
||||||||
(China (Mainland))









