Product Summary
The EP3SE110F1152I3N is an FPGA. It belongs to Stratix III FPGA family. When EP3SE110F1152I3N is implemented in a system, it is rated according to a set of defined parameters. To maintain the highest possible performance and reliability of the EP3SE110F1152I3N, system designers must consider the operating requirements described in this chapter. It is offered in both commercial and industrial grades. Commercial devices are offered in –2(fastest), –3, –4, and –4L speed grades.
Parametrics
EP3SE110F1152I3N absolute maximum ratings: (1)Selectable core voltage power supply:-0.5 to 1.65V; (2)I/O registers power supply:-0.5 to 1.65V; (3)Phase-locked loop (PLL) digital power supply:-0.5 to 1.65V; (4)PLL analog power supply:-0.5 to 3.75V; (5)Programmable power technology power supply:-0.5 to 3.75V; (6)Configuration pins power supply:-0.5 to 3.9V; (7)I/O pre-driver power supply:-0.5 to 3.9V; (8)I/O power supply:-0.5 to 3.9V; (9)Differential clock input power supply (top and bottom I/O banks only):-0.5 to 3.75V; (10)Battery back-up power supply for design security volatile key register:-0.5 to 3.75V; (11)DC Input voltage:-0.5 to 4.0V; (12)Operating junction temperature:-55℃ to 125℃; (13)DC output current, per pin:-25 to 40mA; (14)Storage temperature:-65℃ to 150℃.
Features
EP3SE110F1152I3N features: (1)VCC_CLKIN current specifications:0 to 250mA; (2)VCCPGM current specifications:0 to 250mA; (3)Selectable core voltage power supply for internal logic and input buffers:1.05 to 1.15V; (4)Selectable core voltage power supply for internal logic and input buffers:0.86 to 0.94V; (5)I/O registers power supply:1.05 to 1.15V; (6)PLL digital power supply:1.05 to 1.15V; (7)PLL analog power supply:2.375 to 2.625V; (8)Power supply for the programmable power technology:2.375 to 2.625V.
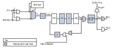
Diagrams

| Image | Part No | Mfg | Description | ![]() |
Pricing (USD) |
Quantity | ||||||
|---|---|---|---|---|---|---|---|---|---|---|---|---|
![]() |
![]() EP3SE110F1152I3N |
![]() Other |
![]() |
![]() Data Sheet |
![]() Negotiable |
|
||||||
| Image | Part No | Mfg | Description | ![]() |
Pricing (USD) |
Quantity | ||||||
![]() |
![]() EP3SE110F1152C3N |
![]() |
![]() IC STRATIX III E 110K 1152-FBGA |
![]() Data Sheet |
![]()
|
|
||||||
![]() |
![]() EP3SE110F1152I3N |
![]() Other |
![]() |
![]() Data Sheet |
![]() Negotiable |
|
||||||
![]() |
![]() EP3SE110F780C3N |
![]() |
![]() IC STRATIX III E 110K 780-FBGA |
![]() Data Sheet |
![]()
|
|
||||||
![]() |
![]() EP3SE260F1152C3N |
![]() |
![]() IC STRATIX III E 260K 1152-FBGA |
![]() Data Sheet |
![]()
|
|
||||||
![]() |
![]() EP3SE260F1152I3N |
![]() Other |
![]() |
![]() Data Sheet |
![]() Negotiable |
|
||||||
![]() |
![]() EP3SE260F1517C3N |
![]() |
![]() IC STRATIX III E 260K 1517-FBGA |
![]() Data Sheet |
![]()
|
|
||||||
(China (Mainland))












